八要素一体式气象站
- 产品型号
- JD-CQX8
- 产品价格
- 产品品牌
- 竞道
一站式整体解决方案
循道而竞 科创未来
客服电话:15666886209
客服Q Q:249516825
公司地址:山东省潍坊高新区光电路155号潍坊高新区光电产业加速器(一期)1号楼
一、产品简介
JD-CQX8超声波气象站是一款高度集成、低功耗、可快速安装、便于野外监测使用的高精度自动气象观测设备。
该设备免调试,可快速布置,广泛运用于气象、农业、林业、环保、海洋、机场、港口、科学考察、校园教育等领域。
与传统的超声波气象站相比,我司产品克服了对高精度计时器的需求,避免了因传感器启动延时、解调电路延时、温度变化而造成的测量不准问题。
该设备创新性的采用八要素一体式传感器,可对风速、风向、温度、湿度、气压、pm2.5、pm10、噪声等气象要素进行实时观测,可实现户外气象参数24小时连续在线监测,通过数字量通讯接口将八项参数一次性输出给用户。
二、产品特点
1、顶盖隐藏式超声波探头,避免雨雪堆积的干扰,避免自然风遮挡
2、原理为发射连续变频超声波信号,通过测量相对相位来检测风速风向
3、风速、风向、温度、湿度、气压、pm2.5、pm10、噪声八要素一体式传感器
4、标配GPRS、蓝牙、485转USB三种传输方式
5、两米碳钢支架,顶部无需法兰盘可直接套接传感器
6、传感器外壳采用进口ASA材质,更有效对抗盐雾等环境,防护等级达到 IP65 以上
三、技术参数
1)风速:测量原理超声波,0~70m/s(±0.1m/s);
2)风向:测量原理超声波,0~360°(±1°);
3)空气温度:测量原理二极管结电压法,-40-80℃(±0.3℃);
4)空气湿度:测量原理电容式,0~100%RH(±2%RH);
5)大气压力:测量原理压阻式,300hPa~1100hPa(±0.02hPa);
6)PM2.5:测量原理光散射,0-1000ug/m3 (±15%)
7)PM10:测量原理光散射,0-1000ug/m3 (±15%)
8)噪声:测量原理电容式,30~130dB ( ±1.5dB)
9)采集器供电接口:GX-12-3P插头,输入电压5V,带RS232输出Json数据格式,采集器供电:DC5V±0.5V峰值电流1A,
10)传感器modbus、485接口:GX-12-4P插头,输出供电电压12V/1A,设备配置接口:GX-12-4P插头,输入电压5V
11)太阳能供电、配置铅酸电池,可选配30W 20AH/50W 40AH/100W 100AH.充电控制器:150W,MPPT自动功率点跟踪,效率提高20%
12)数据上传间隔:30s-65535s可调
13)7寸安卓触屏,屏幕尺寸:1024*600 RGB LCD
14)整机取得国家气象计量站校准证书
16)生产企业具有ISO质量管理体系、环境管理体系和职业健康管理体系认证
18)生产企业为3A级信用企业
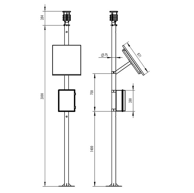
四、产品尺寸图

五、产品结构图

六、上位机软件介绍
1、PC单机版数据接收、存储、查看、分析软件
2、支持串口数据接收、处理、展示
3、支持json字符串、modbus485等通信方式
4、可自设置存储时间,modbus485采集模式下可自设置采集时间
5、支持自助增加、删除、修改监测参数的协议、名称、图标等
6、支持数据后处理功能
7、支持外置运行javascript脚本
七、安卓APP介绍
1、安卓单机版数据接收、存储、查看、分析软件
2、支持蓝牙数据接收
3、手机休眠后软件后台接收、处理
4、json数据自动添加设备,modbus设备支持扫码添加设备
5、支持历史数据查看、分析、导出表格,支持曲线展示、单数据点查看。
6、支持数据后处理功能
7、支持外置运行javascript脚本
八、云平台介绍
1、CS架构软件平台,支持手机、PC浏览器直接观测、无需额外安装软件。
2、支持多帐号、多设备登录
3、支持实时数据展示与历史数据展示仪表板
4、云服务器、云数据存储,稳定可靠,易于扩展,负载均衡。
5、支持短信报警及阈值设置
6、支持地图显示、查看设备信息。
7、支持数据曲线分析
8、支持数据导出表格形式
9、支持数据转发,HJ-212协议,TCP转发,http协议等。
10、支持数据后处理功能
11、支持外置运行javascript脚本